0512-63975578
| 型號 |
組件尺寸 (mm) |
滑塊尺寸(mm) | 導軌尺寸(mm) |
導軌的 固定螺 栓尺寸 |
基本 動額 定負荷 |
基本 靜額 定負荷 |
容許靜力矩 | 重量 | |||||||||||||||||||||||||
|
MR kN-m |
MP kN-m |
MY kN-m |
滑塊 kg |
導軌 kg/m |
|||||||||||||||||||||||||||||
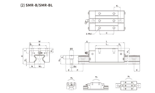
| H | H | N | W | B | B1 | C | C1 | L1 | L | K1 | K2 | G | M | T | T1 | H2 | H3 | WR | HR | D | h | d | P | E | (mm) | C(kN) | C0(KN) | ||||||
| SMR15A | 24 | 4 | 16 | 47 | 38 | 4.5 | 30 | 26 | 45 | 68 | 11.4 | 4.7 | 5.3 | M5 | 6 | 6.95 | 3.6 | 6.1 | 15 | 16.5 | 7.5 | 5.7 | 4.5 | 30 | 20 | M4x16 | 11.3 | 24 | 0.311 | 0.173 | 0.173 | 0.22 | 1.8 |
| SMR20A | 30 | 5 | 21.5 | 63 | 53 | 5 | 40 | 35 | 57.5 | 86 | 13.8 | 6 | 5.3 | M6 | 8 | 10 | 4.3 | 4.3 | 20 | 21 | 9.5 | 8.5 | 6 | 30 | 20 | M5x20 | 21.3 | 46.7 | 0.647 | 0.46 | 0.46 | 0.47 | 2.76 |
| SMR20AL | 77.5 | 106 | 23.8 | 26.9 | 63 | 0.872 | 0.837 | 0.837 | 0.63 | ||||||||||||||||||||||||
| SMR25A | 36 | 5.5 | 23.5 | 70 | 57 | 6.5 | 45 | 40 | 64.5 | 97.9 | 15.75 | 7.25 | 12 | M8 | 9.5 | 10 | 6.2 | 6 | 23 | 23.6 | 11 | 9 | 7 | 30 | 20 | M6x20 | 27.7 | 57.1 | 0.758 | 0.605 | 0.605 | 0.72 | 3.08 |
| SMR25AL | 81 | 114.4 | 24 | 33.9 | 73.4 | 0.975 | 0.991 | 0.991 | 0.91 | ||||||||||||||||||||||||
| SMR30A | 42 | 6 | 31 | 90 | 72 | 9 | 52 | 44 | 71 | 109.8 | 17.5 | 8 | 12 | M10 | 9.5 | 10 | 6.5 | 7.3 | 28 | 28 | 14 | 12 | 9 | 40 | 20 | M8x25 | 39.1 | 82.1 | 1.445 | 1.06 | 1.06 | 1.16 | 4.41 |
| SMR30AL | 93 | 131.8 | 28.5 | 48.1 | 105 | 1.846 | 1.712 | 1.712 | 1.52 | ||||||||||||||||||||||||
| SMR35A | 48 | 6.5 | 33 | 100 | 82 | 9 | 62 | 52 | 79 | 124 | 16.5 | 10 | 12 | M10 | 12 | 13 | 9 | 12.6 | 34 | 30.2 | 14 | 12 | 9 | 40 | 20 | M8x25 | 57.9 | 105.2 | 2.17 | 1.44 | 1.44 | 1.75 | 6.06 |
| SMR35AL | 106.5 | 151.5 | 30.25 | 73.1 | 142 | 2.93 | 2.6 | 2.6 | 2.40 | ||||||||||||||||||||||||
| SMR45A | 60 | 8 | 37.5 | 120 | 100 | 10 | 80 | 60 | 106 | 153.2 | 21 | 10 | 12.9 | M12 | 14 | 15 | 10 | 14 | 45 | 38 | 20 | 17 | 14 | 52.5 | 22.5 | M12x35 | 92.6 | 178.8 | 4.52 | 3.05 | 3.05 | 3.43 | 9.97 |
| SMR45AL | 139.8 | 187 | 37.9 | 116 | 230.9 | 6.33 | 5.47 | 5.47 | 4.57 | ||||||||||||||||||||||||
| SMR55A | 70 | 10 | 43.5 | 140 | 116 | 12 | 95 | 70 | 125.5 | 183.7 | 27.75 | 12.5 | 12.9 | M14 | 16 | 17 | 12 | 17.5 | 53 | 44 | 23 | 20 | 16 | 60 | 30 | M14x45 | 130.5 | 252 | 8.01 | 5.4 | 5.4 | 5.43 | 13.98 |
| SMR55AL | 173.8 | 232 | 51.9 | 167.8 | 348 | 11.15 | 10.25 | 10.25 | 7.61 | ||||||||||||||||||||||||
| SMR65A | 90 | 12 | 53.5 | 170 | 142 | 14 | 110 | 82 | 160 | 232 | 40.8 | 15.8 | 12.9 | M16 | 22 | 23 | 15 | 15 | 63 | 53 | 26 | 22 | 18 | 75 | 35 | M16x50 | 213 | 411.6 | 16.20 | 11.59 | 11.59 | 11.63 | 20.22 |
| SMR65AL | 223 | 295 | 72.3 | 275.3 | 572.7 | 22.55 | 22.17 | 22.17 | 16.58 | ||||||||||||||||||||||||
| 型號 |
組件尺寸 (mm) |
滑塊尺寸(mm) | 導軌尺寸(mm) |
導軌的 固定螺 栓尺寸 |
基本 動額 定負荷 |
基本 靜額 定負荷 |
容許靜力矩 | 重量 | |||||||||||||||||||||||
|
MR kN-m |
MP kN-m |
MY kN-m |
滑塊 kg |
導軌 kg/m |
|||||||||||||||||||||||||||
| H | H1 | N | W | B | B1 | C | L1 | L | K1 | K2 | G | Mxl | T | H2 | H3 | WR | HR | D | h | d | P | E | (mm) | C(kN) | C0(kN) | ||||||
| SMR15B | 28 | 4 | 9.5 | 34 | 26 | 4 | 26 | 45 | 68 | 13.4 | 4.7 | 5.3 | M4x8 | 6 | 7.6 | 10.1 | 15 | 16.5 | 7.5 | 5.7 | 4.5 | 30 | 20 | M4x16 | 11.3 | 24 | 0.311 | 0.173 | 0.173 | 0.20 | 1.8 |
| SMR20B | 34 | 5 | 12 | 44 | 32 | 6 | 36 | 57.5 | 86 | 15.8 | 6 | 5.3 | M5x8 | 8 | 8.3 | 8.3 | 20 | 21 | 9.5 | 8.5 | 6 | 30 | 20 | M5x20 | 21.3 | 46.7 | 0.647 | 0.46 | 0.46 | 0.40 | 2.76 |
| SMR20BL | 50 | 77.5 | 106 | 18.8 | 26.9 | 63 | 0.872 | 0.837 | 0.837 | 0.53 | |||||||||||||||||||||
| SMR25B | 40 | 5.5 | 12.5 | 48 | 35 | 6.5 | 35 | 64.5 | 97.9 | 20.75 | 7.25 | 12 | M6x8 | 9.5 | 10.2 | 10 | 23 | 23.6 | 11 | 9 | 7 | 30 | 20 | M6x20 | 27.7 | 57.1 | 0.758 | 0.605 | 0.605 | 0.61 | 3.08 |
| SMR25BL | 50 | 81 | 114.4 | 21.5 | 33.9 | 73.4 | 0.975 | 0.991 | 0.991 | 0.75 | |||||||||||||||||||||
| SMR30B | 45 | 6 | 16 | 60 | 40 | 10 | 40 | 71 | 109.8 | 23.5 | 8 | 12 | M8x10 | 9.5 | 9.5 | 10.3 | 28 | 28 | 14 | 12 | 9 | 40 | 20 | M8x25 | 39.1 | 82.1 | 1.445 | 1.06 | 1.06 | 0.90 | 4.41 |
| SMR30BL | 60 | 93 | 131.8 | 24.5 | 48.1 | 105 | 1.846 | 1.712 | 1.712 | 1.16 | |||||||||||||||||||||
| SMR35B | 55 | 6.5 | 18 | 70 | 50 | 10 | 50 | 79 | 124 | 22.5 | 10 | 12 | M8x12 | 12 | 16 | 19.6 | 34 | 30.2 | 14 | 12 | 9 | 40 | 20 | M8x25 | 57.9 | 105.2 | 2.17 | 1.44 | 1.44 | 1.57 | 6.06 |
| SMR35BL | 72 | 106.5 | 151.5 | 25.25 | 73.1 | 142 | 2.93 | 2.6 | 2.6 | 2.06 | |||||||||||||||||||||
| SMR45B | 70 | 8 | 20.5 | 86 | 60 | 13 | 60 | 106 | 153.2 | 31 | 10 | 12.9 | M10x17 | 16 | 20 | 24 | 45 | 38 | 20 | 17 | 14 | 52.5 | 22.5 | M12x35 | 92.6 | 178.8 | 4.52 | 3.05 | 3.05 | 3.18 | 9.97 |
| SMR45BL | 80 | 139.8 | 187 | 37.9 | 116 | 230.9 | 6.33 | 5.47 | 5.47 | 4.13 | |||||||||||||||||||||
| SMR55B | 80 | 10 | 23.5 | 100 | 75 | 12.5 | 75 | 125.5 | 183.7 | 37.75 | 12.5 | 12.9 | M12x18 | 17.5 | 22 | 27.5 | 53 | 44 | 23 | 20 | 16 | 60 | 30 | M14x45 | 130.5 | 252 | 8.01 | 5.4 | 5.4 | 4.89 | 13.98 |
| SMR55BL | 95 | 173.8 | 232 | 51.9 | 167.8 | 348 | 11.15 | 10.25 | 10.25 | 6.68 | |||||||||||||||||||||
| SMR65B | 90 | 12 | 31.5 | 126 | 76 | 25 | 70 | 160 | 232 | 60.8 | 15.8 | 12.9 | M16x20 | 25 | 15 | 15 | 63 | 53 | 26 | 22 | 18 | 75 | 35 | M16x50 | 213 | 411.6 | 16.20 | 11.59 | 11.59 | 8.89 | 20.22 |
| SMR65BL | 120 | 223 | 295 | 67.3 | 275.3 | 572.7 | 22.55 | 22.17 | 22.17 | 12.13 | |||||||||||||||||||||
| 型號 |
組件尺寸 (mm) |
滑塊尺寸(mm | 導軌尺寸(mm) |
導軌的 固定螺 栓尺寸 |
基本 動額 定負荷 |
基本 靜額 定負荷 |
容許靜力矩 | 重量 | |||||||||||||||||||||||
|
MR kN-m |
MP kN-m |
MY kN-m |
滑塊 kg |
導軌 kg/m |
|||||||||||||||||||||||||||
| H | H1 | N | W | B | B1 | C | L1 | L | K1 | K2 | G | M | T | H2 | H3 | WR | HR | D | h | d | P | E | (mm) | C(kN) | C0(kN) | ||||||
| SML15B | 24 | 4 | 9.5 | 34 | 26 | 4 | 26 | 45 | 68 | 13.4 | 4.7 | 5.3 | M5x5.5 | 6 | 3.6 | 6.1 | 15 | 16.5 | 7.5 | 5.7 | 4.5 | 30 | 20 | M4x16 | 11.3 | 24 | 0.311 | 0.173 | 0.173 | 0.15 | 1.8 |
| SML20B | 30 | 5 | 12 | 44 | 32 | 6 | 36 | 57.5 | 86 | 15.8 | 6 | 5.3 | M5x6 | 8 | 4.3 | 4.3 | 20 | 21 | 9.5 | 8.5 | 6 | 30 | 20 | M5x20 | 21.3 | 46.7 | 0.647 | 0.46 | 0.46 | 0.32 | 2.76 |
| SML20BL | 50 | 77.5 | 106 | 18.8 | 26.9 | 63 | 0.872 | 0.837 | 0.837 | 0.42 | |||||||||||||||||||||
| SML25B | 36 | 5.5 | 12.5 | 48 | 35 | 6.5 | 35 | 64.5 | 97.9 | 20.75 | 7.25 | 12 | M6x8 | 9.5 | 6.2 | 6 | 23 | 23.6 | 11 | 9 | 7 | 30 | 20 | M6x20 | 27.7 | 57.1 | 0.758 | 0.605 | 0.605 | 0.51 | 3.08 |
| SML25BL | 50 | 81 | 114.4 | 21.5 | 33.9 | 73.4 | 0.975 | 0.991 | 0.991 | 0.63 | |||||||||||||||||||||
| SML30B | 42 | 6 | 16 | 60 | 40 | 10 | 40 | 71 | 109.8 | 23.5 | 8 | 12 | M8x10 | 9.5 | 6.5 | 7.3 | 28 | 28 | 14 | 12 | 9 | 40 | 20 | M8x25 | 39.1 | 82.1 | 1.445 | 1.06 | 1.06 | 0.80 | 4.41 |
| SML30BL | 60 | 93 | 131.8 | 24.5 | 48.1 | 105 | 1.846 | 1.712 | 1.712 | 1.03 | |||||||||||||||||||||
| SML35B | 48 | 6.5 | 18 | 70 | 50 | 10 | 50 | 79 | 124 | 22.5 | 10 | 12 | M8x12 | 12 | 9 | 12.6 | 34 | 30.2 | 14 | 12 | 9 | 40 | 20 | M8x25 | 57.9 | 105.2 | 2.17 | 1.44 | 1.44 | 1.27 | 6.06 |
| SML35BL | 72 | 106.5 | 151.9 | 25.25 | 73.1 | 142 | 2.93 | 2.6 | 2.6 | 1.65 | |||||||||||||||||||||
| SML45B | 60 | 8 | 20.5 | 86 | 60 | 13 | 60 | 106 | 153.2 | 31 | 10 | 12.9 | M10x17 | 16 | 10 | 14 | 45 | 38 | 20 | 17 | 14 | 52.5 | 22.5 | M12x35 | 92.6 | 178.8 | 4.52 | 3.05 | 3.05 | 2.47 | 9.97 |
| SML45BL | 80 | 139.8 | 187 | 37.9 | 116 | 230.9 | 6.33 | 5.47 | 5.47 | 3.20 | |||||||||||||||||||||
| SML55B | 70 | 10 | 23.5 | 100 | 75 | 12.5 | 75 | 125.5 | 183.7 | 37.75 | 12.5 | 12.C | M12x18 | 17.5 | 12 | 17.5 | 53 | 44 | 23 | 20 | 16 | 60 | 30 | M14x45 | 130.5 | 252 | 8.01 | 5.4 | 5.4 | 3.91 | 13.98 |
| SML55BL | 95 | 173.8 | 232 | 51.9 | 167.8 | 348 | 11.15 | 10.25 | 10.25 | 5.32 | |||||||||||||||||||||
| 型號 | 導軌尺寸(mm) |
重量 (kg/m) |
|||||
| WR | HR | S | h | P | E | ||
| SMR15K | 15 | 16.5 | M5x0.8P | 8 | 30 | 20 | 1.86 |
| SMR20K | 20 | 21 | M6x1P | 10 | 30 | 20 | 2.76 |
| SMR25K | 23 | 23.6 | M6x1P | 12 | 30 | 20 | 3.36 |
| SMR30K | 28 | 28 | M8x1.25P | 15 | 40 | 20 | 4.82 |
| SMR35K | 34 | 30.2 | M8x1.25P | 17 | 40 | 20 | 6.48 |
| SMR45K | 45 | 38 | M12x1.75P | 24 | 52.5 | 22.5 | 10.83 |
| SMR55K | 53 | 44 | M14x2P | 24 | 60 | 30 | 15.15 |
| SMR65K | 63 | 53 | M20x2.5P | 30 | 75 | 35 | 21.24 |